中国式现代化是我们党领导全国各族人民在长期探索和实践中历经千辛万苦、付出巨大代价取得的重大成果,党的领导与中国式现代化关系正确的是( )。
①党的领导决定中国式现代化的根本性质
②党的领导确保中国式现代化锚定奋斗目标行稳致远
③党的领导激发建设中国式现代化的强劲动力
④党的领导凝聚建设中国式现代化的磅礴力量
党的二十大报告指出,改革开放和社会主义现代化建设深入推进,书写了( )两大奇迹新篇章,我国发展具备了更为坚实的物质基础、更为完善的制度保证,实现中华民族伟大复兴进入了不可逆转的历史进程。
党的二十大报告指出,分配制度是促进共同富裕的基础性制度。坚持按劳分配为主体、多种分配方式并存,坚持多劳多得,鼓励勤劳致富,促进机会公平,( )。
①增加低收入者收入
②扩大中等收入群体
③减少高收入者收入
④规范收入分配秩序
⑤收紧财富积累渠道
党的二十大报告指出,高质量发展是全面建设社会主义现代化国家的首要任务。发展是党执政兴国的第一要务。下列属于建设现代化产业体系的是( )。
①支持专精特新企业发展
②完善农业支持保护制度
③加快建设西部陆海新通道
④加快发展数字经济
⑤构建优质高效的服务业新体系
新时代十年,我国实行更加积极主动的开放战略,形成更大范围、更宽领域、更深层次的对外开放格局。以下不属于新时代十年对外开放领域成就的是( )。
习近平主席指出我们要善于通过历史看现实、透过现象看本质,把握好全局和局部、当前和长远、宏观和微观、主要矛盾和次要矛盾、特殊和一般的关系,不断提高战略思维、历史思维、辩证思维、系统思维、创新思维、法治思维、底线思维能力,为前瞻性思考、全局性谋划、整体性推进党和国家各项事业提供科学思想方法,体现了以下哪个观念?( )
党纪国法不能成为“橡皮泥”、“稻草人”,无论是因为“法盲”导致违纪违法,还是故意违规违法,都要受到追究,否则就会形成“破窗效应”。以下哪句与上述理论意思最为一致?( )
习近平主席在二〇二三年新年贺词中提到了“太空之家”、白鹤滩水电站、“福建号”、愚公移山,下列与之相关的说法正确的是( )。
高质量发展是全面建设社会主义现代化国家的首要任务。2023年1月28日,广东召开全省高质量发展大会。关于广东的高质量发展,下列表述不正确的是( )。
“风雨浸衣骨更硬,野菜充饥志越坚;官兵一致同甘苦,革命理想高于天。”该文句最有可能描述的事件是( )。
毛泽东同志说:“我们共产党人从来不隐瞒自己的政治主张。我们的将来纲领或最高纲领,是要将中国推进到社会主义社会和共产主义社会去的,这是确定的和毫无疑义的。”这段话出自( )。
碳中和是指某个地区在一定时间内,人类活动直接和间接排放的二氧化碳总量,与通过植树造林、工业固碳等吸收的碳总量相互抵消,实现碳“净零排放”,以下不属于实现碳中和的科学手段的是( )。
下列选项不符合《中华人民共和国立法法》表述的是( )。
根据我国法律,敏感个人信息是一旦泄露或者非法使用,容易导致自然人的人格尊严受到侵害或者人身、财产安全受到危害的个人信息。以下不属于敏感个人信息的是( )。
以下诗句描写的节气或节日,发生在秋季的是( )。
只要坚持生态优先、绿色发展,锲而不舍, ,就一定能把绿水青山变成金山银山。
风清则气正,气正则心齐,心齐则事成。在以习近平同志为核心的党中央坚强领导下,贵州各地各部门靠着不懈的干劲、韧劲,持之以恒加强党风廉政建设,驰而不息开展反腐败工作。如今,党风政风焕然一新,社风民风持续向好,干群关系更加 、党心民心更加 。
政府部门要制定政策、营造环境,发挥宣传发动、组织协调、引导扶持作用,但绝不能 。要坚持有为政府和有效市场相促进,充分发挥市场机制作用,调动市场主体积极性,以重点产业项目为 ,促进资源要素更多向乡村流动,以产业“活水”变输血为造血。
广东,正在加速打开高质量发展新局面。从上到下,从内到外,从你到我,每个人、每家企业都在全力奔跑,展现出 的热烈氛围和 的崭新气象。
质量 是产出来的, 是管出来的, 是市场竞争出来的。这就要推动有效市场与有为政府更好结合,共助质量强国建设取得新成效。
,理论学习贵在独立思考、学用结合,重在学有所悟、用有所得,在学习和实践中“众里寻他千百度”,最终“蓦然回首”,在“灯火阑珊处”领悟真谛。只有坚持学习与思考相统一,带着问题学习,养成边学习边思考的习惯,在学习中联系实际,对现实中的问题进行深入思考,才能真正将理论学深悟透。
以下句子最适合填入划横线处的是( )。
队伍建设和人才工作事关高校领导权归属,事关高校发展水平和一流大学建设成效,是一项必须牢牢抓在手里、丝毫不能松懈的基础性、战略性工作。高校加强党的全面领导,必须坚持党管干部和党管人才原则,着力培养忠诚干净担当的高素质干部,着力集聚爱国奉献的各方面优秀人才,团结全校师生员工抓改革、谋发展、开新局、创一流。
下列选项最适合作为这段文字标题的是( )。
城乡历史文化保护传承,要在精准上下功夫。城乡历史文化范围广、类型多、数量大,情况尤为复杂。不同的传统建筑、旧城街巷等物质遗存,相异的地域风情、民俗习惯等非物质传承,构成了各城市与众不同的文化气质。这也决定了历史文化保护传承方法不能完全相同,必须坚持分类科学。在历史文化名城建设中,历史古都型如何保护、传承,传统风貌型如何延续、更新,地域特色型如何保持、创新;在文化特质赓续中,江南水乡如何留住恬静雅致,北方大院如何维持古朴雄浑,湘西古城如何散发神秘通幽······不同地域、不同类型的历史文化,只有精准施策,才能保护好、传承好。
这段文字意在强调( )。
企业数字化转型并不是为了数字化而数字化,其核心在于价值创造。对企业而言,价值创造直接体现在业务端,数字化转型实质上是业务的转型,是在以技术为支点、业务为内核的新一代数字技术驱动下,进行业务、管理和商业模式的深度变革重构。因此,数字化转型不是系统和应用简单从“非数字化”到“数字化”的过程,而是着眼于解决业务问题,从业务切入,将数字化技术和工具赋能于业务,更有效地解决业务问题。
对这段文字,理解不准确的是( )。
近年来,消费成为拉动我国经济增长的主要动力。但是不可忽视的是,我国消费率偏低仍是一个基本事实。从消费需求看,我国在结束“模仿型排浪式”消费阶段后,尽管个性化、多样化消费逐渐成为主流,但总体消费水平还不高,提升和优化的空间还很大。如何让老百姓敢消费、能消费、愿消费,进而消费得起、消费得好,如何精准满足人民群众多样化、差异化、个性化需求,如何优化收入结构、提升消费能力,等等,这些都是我们扩大内需、释放经济活力需要解决的现实问题。
上述文段主要讲了( )。
10,3,13,1,14,2,16,9,( )
92.46,84.42,76.38,68.34,( )
,
,
,
,
,
,( )




0,( ),2,6,12,20

某辆货车载有20吨货物,上午卸了货物总重的20%,下午卸了剩余货物的30%,则下午卸货后,货车上的货物还剩( )吨。
某社区计划组建多支社工团队,为此招幕了一批社工。如果每支团队由3名社工组成,则剩余2名社工;如果每支团队由4名社工组成,同样剩余2名社工,则该社区可能招募了( )名社工。
某单位去年报名参加志愿活动的党员与非党员之比为1∶3。今年的报名总人数提高了20%,党员与非党员之比为1∶2,党员人数比去年多了6人。则今年该单位报名参加志愿活动的党员共有( )人。
某工厂加工出一批正方体奶酪,抽检时质检员从奶酪中切下了一个厚度为2厘米的长方体(如图所示)。如果剩余奶酪的体积为144立方厘米,则奶酪原本的边长为( )厘米。

某单位共有员工200人,其中订阅杂志的人数比只订阅报纸的人数多88%。则报纸和杂志均未订阅的员工有( )人。
某牧场的草,匀速生长。如果20头牛来吃,20天可将草吃光;如果10头牛和10只羊来吃,30天可以恰好吃光。已知一头牛每天的吃草量是一只羊的2倍,则30只羊吃该牧场的草,多少天可以吃光?
某印刷厂原计划用全自动装订机花费4小时装订一批文件,但在还剩300份文件时装订机出现故障,无法装订。印刷厂立即安排了部分员工进行人工装订,由于人工装订的总效率仅为机器的20%,最终比原计划排迟1小时完成装订。则这批文件共有( )份。
某地举办了“铁人三项”体育活动,先进行蛙跳,后游泳,最后竞走到达终点。一位选手在上午7点出发,9点到达了终点,全程未休息,其蛙跳、游泳和竞走的速度分别为每小时2千米、3千米和6千米。如果蛙跳和竞走的路程相同,则所有项目的总路程是( )。
某公司向餐馆订购盒饭,要求每份盒饭包含2种荤菜、2种素菜。如果餐馆共准备了6种荤菜和4种素菜,则最多有( )种盒饭。
某单位每天都会安排2人在大楼入口负责安检,安排3人负责楼层巡查。为此,单位组织了一支12人的队伍,并根据序号安排工作:第一天由队员1,2负责安检,队员3、4、5负责巡查;第二天由队员6、7负责安检,8、9、10负责巡查;第三天由队员11、12负责安检,队员1、2、3负责巡查······以此类推,如果队员1今天负责了安检,则最晚在( )天后他将再次负责安检。
以下平面图形最可能折叠成左图所示立方体的是:

下列选项中,能与所给图形组合成立方体的是( )。

下到选项最可能与左侧立体图形是同一物体的是:

左侧立体图形仅有图中所示的一个正方形面为黑色,则下列选项最不可能由三个左侧图形构成的是( )。

将两个左侧立体图形放置在桌面上,则某人从桌子正前方看到的图形轮廓最不可能是( )。

下列选项最符合所给图形规律的是:

下列选项最符合所给图形规律的是:

下列选项最符合所给图形规律的是:

下列选项最符合所给图形规律的是:

下列选项与框内字符串规律最接近的是:

问:答
章:节
舍身:取义
海底捞月:缘木求鱼
园丁:灌木:剪刀
某街道计划将3名男性干部甲、乙、丙和3名女性干部张、李、王下沉至各个社区开展工作,可供选择的社区有A、B、C、D四个。已知:
①每人只能去一个社区。
②凡是有男性去的社区就必须有女性去。
③张去A社区或者B社区,乙去D社区。
如果最终李去了C社区,则下列推论必然正确的是( )。
分散的农户经营不成规模,已经远远不能适应各个城市群规模化、批量化的农产品需求,也限制了农民收入的提高。如果不解决农户的组织化这个问题,就无法推广农业机械化、规模化,也无法降低农业的经营成本。因此,可以通过推进农户的组织化,让现有的农民实现增产增收。
以下选项如果为真,最能支持上述论断的是( )。
某中学计划抽调一批骨干教师前往西部地区支教,学校计划抽调2位高一老师、1位高二老师和1位高三老师,并且这4位老师所教科目应各不相同。已知各年级候选人如下:
①高一:历史老师甲、地理老师乙、政治老师丙。
②高二:地理老师丁、语文老师戊。
③高三:政治老师己、数学老师庚。
则以下人选符合要求的是( )。
甲市城区过去一直实行车辆限号通行。从去年开始,该市取消了车辆限号通行,一年后全市交通拥堵指数明显下降,平均车速提高了20%,实现了“车辆不限号,交通不拥堵”的双重效益。
下列选项如果为真,最能解释这一现象的是( )。
人均GDP可以基于常住人口计算,但算出的结果可能并不准确,因为流动人口同样会为城市创造GDP。当一个城市的流动人口占比较高时,只用常住人口来计算人均GDP,可能会导致对城市经济发展水平的高估。有专家因此建议,对经济发展水平相近的城市而言,用“吨均GDP”(每吨生活垃圾所对应的GDP)替代“人均GDP”,更能准确比较各个城市的发展水平。
要使该建议成立,必须补充的前提是( )。
现在,有些人开始质疑“全球变暖”理论。他们认为,人类活动并不是全球变暖的主要原因,放在地球气候漫长的演变背景中看,气候变化是正常现象,因此,近期的全球变暖远没有到需要“拯救地球”的地步。
以下选项如果为真,最能反驳上述论断的是( )。
为推动社区养老服务建设,某社区开设了长者食堂,向社区内符合条件的老年人提供一日三餐。该食堂饭菜价格远低于市场价,且品种多样、味道极佳、分量充足,然而每天到该食堂就餐的老年人数量并不多。
以下各项如果为真,最能解释这一现象的是( )。
甲、乙、丙3人同时申请某个课题项目。评审专家组进行评审后,最终通过了其中1人的申请。专家们最初的预测如下:
①专家一:甲的申请没有通过。
②专家二:乙的申请通过了。
③专家三:丙的申请没有通过。
如果只有1名专家预测正确,则下列推论必然错误的是( )。
自其变者而观之,则天地没有一瞬间不会发生变化。历史已经不属于这片天地,所以历史是永恒不变的。
以下选项的逻辑结构与题干最为相似的是( )。
某制片公司历经数年制作了一部电影,该电影上映后得到了业内专家一致好评,在各影评网站上也得到了很高的评分,然而该电影的放映厅内观众寥寥无几,其实际票房收益也很不理想。
以下各项如果为真,最不能解释这一现象的是( )。
科学家曾研究过旁观者对运动员跑步的影响。结果发现,在同一条跑道上,没有旁观者或旁观者背对跑道时,运动员的跑步速度相近;当旁观者面对跑道时,运动员的跑步速度明显提高。因此,体育竟赛的现场一定得有观众,这有助于运动员取得更好的成绩。
以下选项如果为真,最能削弱上述论断的是( )。
小王经营着一家打印店,他发现,店内员工都很忙,大部分精力都花在了文件排版上。为了节省人力,他给店里的电脑安装了能自动完成常规排版操作的新款软件。然而,软件安装几个月后,店内员工反而更忙了。
以下选项如果为真,最能解释这一现象的是( )。
目前,风能技术员是某国受伤率最高的职业之一,从业人员较少。但随着国家能源需求向可再生能源转变,该国将越来越需要从事这样高风险性职业的人才,以保证国家能源的正常供应。由于风能技术人才紧缺,该国此类岗位的薪酬不断提高。对此有专家建议,在加大风能技术人才培养的同时,该国还应积极引进国际风能技术人才。
以下选项如果为真,最能解释这一现象的是( )。
只有不间断地练习曲目,才能在音乐比赛中获奖。小李没有在音乐比赛中获奖,那么他一定没有不间断地练习曲目。
以下选项的逻辑结构与题干最为相似的是( )。
为探索每周4天工作制的可行性,某集团进行了一次大规模的试验。结果表明,尽管减少了工作天数,数千名员工仍然完成了原定的工作任务,且员工的工作压力水平下降了7%,企业的办公成本如耗材、水电的消耗量也有所下降。有人因此认为,4天工作制不仅能降低企业的运营成本,还大大提高了企业员工的工作效率。
以下选项如果为真,最能质疑上述观点的是( )。
为促进员工交流,营造积极参加体育锻炼的良好氛围,某单位组织了跑步、羽毛球、排球、篮球等多支运动队。已知:
(1)所有员工至少参加了跑步队或羽毛球队中的一个;
(2)参加了跑步队的员工都没有加入篮球队;
(3)财务部小丽加入了篮球队。
工会委员了解上述情况后推断,小丽也加入了排球队。
要使这一推断成立,可以补充的前提是( )。
优秀的企业家既要有杰出的领导能力,也必须积极承担相应的社会责任。因此,能运用出色的领导力引领企业发展却不愿承担任何社会责任的人,一定不是优秀的企业家。
以下选项的逻辑结构与题干最为相似的是( )。
某部门有若干名干部和工勤人员。其中有多名干部是博士;并非所有的博士都是统计学专业毕业的;所有的男性都是统计学专业毕业的;由此可以推断该部门中( )。
酿酒时,蒸馏的酒液流入酒桶,会在表面荡起泡沫状的酒花,这就是古代“看花摘酒”传统的由来。此外,还可以通过用耳朵倾听酒花爆裂的声音指导酿酒工艺,也即“听花断酒”。由于从古至今手工酿酒的工艺流程并没有大的变化,有人因此推断,如果“听花断酒”的技艺仍然存在,现在仍然可以用这一方法来判断一壶酒是否为佳酿。
以下属于上述推论暗含前提的是( )。
有人认为,短视频时代的到来并不会减少好友相互交流的时间,因为不喜欢社交的人即使在没有短视频可以“刷”的时候也不会增加与人交流的时间。
下列选项所犯的逻辑错误与题干最相似的是( )。
夏日,小王调制了一杯
的蔗糖水,尝了一口后感觉不够甜,又加入了一些蔗糖,搅拌后蔗糖完全溶解。之后他把蔗糖水放入冰箱,一段时间后取出时发现杯子底部有少许晶体析出,则下列说法正确的有( )。
①刚放入冰箱的蔗糖溶液一定不是饱和溶液
②从冰箱中取出的蔗糖溶液一定是饱和溶液
③放入冰箱前后,蔗糖溶液中溶质的质量相等
④用加热蒸发溶剂的方法能够得到与析出晶体相同的物质
甲酸(HCOOH)具有清洁制氢的巨大潜力,其反应前后分子种类变化的微观示意图如下图所示。则下列说法正确的是( )。

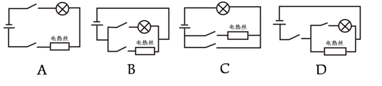
某电热水器设计了两个开关。当水温低于指定温度时,两个开关自动闭合,电热丝将水加热,指示灯亮起;当水温升高到指定温度时,一个开关断开,电热丝停止加热,指示灯仍亮。该电热水器的电路图最有可能是( )。

下图是动物养殖场自动喂水装置的简要示意图。当动物通过饮水口饮水后,水箱内的水位下降,水瓶中的水将自动流入水箱,使水位回到一定的高度。关于这一装置,下列说法正确的是( )。

下图是某物体做直线运动时,其速度v与时间t关系的折线图,则以下说法准确的有( )。

①在
~
,物体匀速运动
②在0~
和
~
,物体做同方向运动
③在
时,物体离出发点距离最远
④在
~
和
~
,物体的加速度方向相反
⑤在
时,物体改变运动方向
下图是一束光在空气和玻璃两种不同的介质中传播的路径示意图,则下列说法正确的是( )。

是界面
下方是玻璃介质生物能对外界刺激做出反应。反射是指生物通过神经系统,对外界或内部的各种刺激所发生的有规律的反应。下列生命现象,不属于反射的是( )。
无性繁殖是一种不涉及生殖细胞,不需要经过受精过程,由母体的一部分直接形成新个体的繁殖方式。以下繁殖过程不属于无性繁殖的是( )。
下面是某森林生态系统食物网的示意图,下列表述正确的是( )。

从北极上空俯视,地球围绕地轴呈逆时针方向自转。如果在北极的地轴正上方有一颗肉眼可见的星星,有一人站在赤道上整晚观察这颗星星。他有可能观察到( )。
①这颗星星东升西落
②这颗星星没有东升西落
③周围的星星以这颗星星为中心呈逆时针方向转动
④周围的星星以这颗星星为中心呈顺时针方向转动
2021年,广东省财政科学技术支出为982.76亿元,占当年全省财政一般公共预算支出的比重为5.4%。其中,省本级财政科学技术支出为102.05亿元,占省本级财政一般公共预算支出的比重为6.6%,同比增加0.84个百分点。珠江三角洲核心区财政科学技术支出845.09亿元,同比增长2.6%。

2020年,广东省省本级财政科学技术支出为( )亿元。
2021年,以下经济区域财政科学技术支出同比增长率最高的是( )。
2021年,广东省省本级财政一般公共预算支出在全省财政一般公共预算支出中的比重( )。
2021年,以下分类科目财政科学技术支出同比增加值最多的是( )。
根据资料,以下关于广东省财政支出的说法正确的是( )。
2022年,全国居民人均可支配收入36883元,比上年增长(以下如无特别说明,均为同比名义增长)5.0%。分城乡看,城镇居民人均可支配收入49283元,增长3.9%;农村居民人均可支配收入20133元,增长6.3%。
按收入来源分,2022年,全国居民人均工资性收入20590元,增长4.9%;人均经营性收入6175元,增长4.8%;人均财产净收入3227元,增长4.9%;人均转移净收入6892元,增长5.5%。

2022年,全国居民人均消费支出24538元,比上年增长1.8%。分城乡看,城镇居民人均消费支出30391元,增长0.3%;农村居民人均消费支出16632元,增长4.5%。

2022年,农村居民人均可支配收入中,所占比例明显高于城镇居民的是( )。
2022年,除其他用品及服务外,我国城乡居民人均消费支出最少的类别是( )。
2022年,全国居民人均收支盈余比上一年( )。(注:收支盈余=收入-消费支出)
2022年,我国城镇居民与农村居民人数之比最接近( )。
根据资料,下列说法正确的是( )。
五年来,我国积极推进网络强国和数字中国建设,着力深化数字经济与实体经济融合,为打造数字经济新优势、增强经济发展新动能提供有力支撑。2022年,我国电信业务收入累计完成1.58万亿元,比上年增长8%,较2018年增长超2800亿元。

2022年移动数据流量业务收入6397亿元,比上年增长0.3%,在电信业务收入中占比约为40.5%。数据中心、云计算、大数据、物联网等新兴业务快速发展,对我国电信业务拉动作用持续增强。2022年新兴业务收入达3072亿元,在电信业务收入中占比由上年的16.1%提升至19.4%。其中,数据中心、云计算、大数据、物联网业务比上年分别增长11.5%、118.2%、58%和24.7%。

2022年我国电信业务收入约为2018年的( )倍。
与2021年相比,2022年我国移动数据流量业务收入在电信业务收入中的占比( )。
2021-2022年间,我国新兴业务收入增加值约占我国电信业务收入增加值的( )。
根据资料,下列说法正确的是( )。
以下最有可能准确反映该年度各类业务在电信业务收入中占比的是( )。





